RECEIVER AF PROCESSING
Two projects are described here, both of which may be used to enhance simple
receivers of the types already described. These two circuits may be built on
the same circuit board and the OP-AMP IC, (LM324), has sufficient capacity to
accomodate both circuits.
NOTCH FILTER

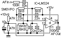
This circuit may be used to eliminate an unwanted carrier when trying to copy weak stations. Direct Conversion receivers in particular will benefit from this addition as these receivers have quite a wide bandwidth and receive both sidebands. A carrier present in the unwanted sideband can render the wanted signal inaudible, especially if the wanted station is quite weak. This circuit is very simple and is based upon a Wein-Bridge network. The Op- Amp provides anti-phase outputs to the two filter elements, and also buffers the filter output from the load. The 100K ganged Potentiometer controls the notch frequency and has a range from about 75Hz to 15KHz or so. The 50K pot compensates for any imbalance of level at the filter output. By adjusting the 2 pots in turn, it should be possible to totally eliminate an unwanted signal from the receiver output. The circuit has no gain and should be used between the receiver volume control and the AF amplifier. CW-FILTER

Direct Conversion and other simple receiver have quite a wide bandwidth which can make life a little difficult when copying weak CW stations, especially if the band is a little crowded. This circuit uses a single Op-Amp together with a Twin-T filter to provide a very narrow AF filter. Before anyone jumps in to tell me the Twin-T is a NOTCH filter - yes, but it is used here in a feedback loop which shunts the high 100K input impedance, until the input frequency is at the Twin-T notch frequency. This circuit is centered around 900 Hz and is fixed at this frequency by the filter. The circuit has no gain and should be used between the receiver volume control and the AF amplifier. NOTES The output level of both these circuits may be altered, by changing the value of the 47K feedback resistor from the output of the (last) Op-Amp, to its -ve input. The unused Op-Amp in the NOTCH FILTER may be used for the CW-FILTER circuit. If you do then you can also delete the two 47 K resistors and 10 uF capacitor supply splitter. This circuit already exists in the Notch Filter and may be used to bias the + input of the Op-Amp in the CW-Filter. Have fun, de HARRY, Upplands Vasby, Sweden
Frank, G3YCC