
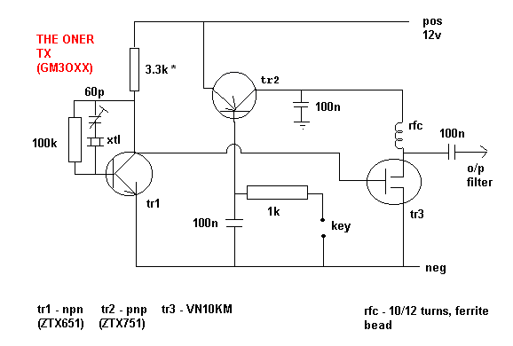
The Oner HF CW transmitter was first described by George, GM3OXX in Sprat number 45 and has been widely used as a simple but effective, tiny transmitter. It is so called because it can be built on a PCB just one inch square! A kit is available for the transmitter and other modules of the same size, including a simple receiver from Kanga Products, making a useful and very compact transceiver for HF use.
The 3.3k resistor (*), should be chosen for the required RF output, but choose with care, as the PA can be blown if excess drive is given.