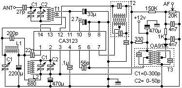
Many commercial radio ICs dedicated to the domestic and commercial market are capable of only FM operation. This makes it a little difficult for the home constructor to build SIMPLE IC receiving equipment. In the 1970's RCA made an IC for the AM market which can be readily adapted amateur SSB and CW use. The CA3123E is a simple single superhet receiver and is designed for operation in the medium waveband. I have used this IC up to 4 MHz with 100% success. Here is the circuit I began with, way back in 1978.

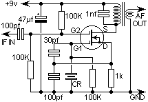
I took the IF signal (Cathode of the detector diode) to a product detector so enabling reception of SSB and CW. The product detector may be based upon the product detector I have used in other designs.

Refer to IC-RX1.GIF : L1/C1 is tuned to the RF (RF amplifier). T1/C1 is tuned to the RF (RF input). L2/C1 is tuned to the Local Oscillator frequency (LO). T2 & T3 are tuned to the Intermediate Frequency (IF). C1 is a three-ganged variable capacitor and C2 (Qty 3) is a 50pf trimmer used to set the upper frequency limit of the receiver. Wind T1/L1/L2 as required for the band you require. I didn't record the coil details in my lab-book but I did use conventional IF transformers for T2 and T3 (robbed out of old radio cheap sets). L2 should resonate at the received frequency PLUS the IF.
I am very grateful to Harold, SM0VPO for allowing me to add his files to my web site. He can be contacted by email: harold.lythall@era.ericsson.se
Frank, G3YCC